Описание
Характеристики
Отзывы
Теплообменники Tranter GC-044 N — это оборудование с отличными рабочими характеристиками, выполненное из качественных современных материалов и потому обладающее долговечностью, надежностью и способностью выдерживать интенсивную эксплуатацию в различных условиях.
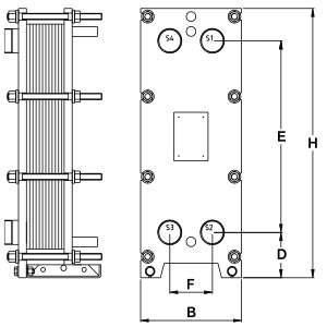
Размеры
- D - 220 мм;
- Высота H – 1166 мм;
- Диаметр присоединения Ду – 100;
- B – 450 мм;
- E – 1189 мм;
- F – 226 мм.
ТЕХНИЧЕСКИЕ ХАРАКТЕРИСТИКИ ТЕПЛООБМЕННИКА TRANTER GC-044 N
- максимальная рабочая температура 180 °С;
- максимальное рабочее давление 16 бар;
- используемые материалы уплотнений -
Характеристики
Бренд
Tranter
Отзывов ещё нет — ваш может стать первым.
Все отзывы 0
Список отзывов пуст







































