Описание
Характеристики
Отзывы
Теплообменники Tranter GC-026P — современное оборудование с широкой сферой применения, производимое по европейским стандартам качества.
Компания-производитель вот уже не одно десятилетие поддерживает безупречную репутацию, выпуская продукция высочайшей степени надежности и долговечности. Оборудование этого бренда повсеместно используется на самых разнообразных предприятиях в России и Европе.
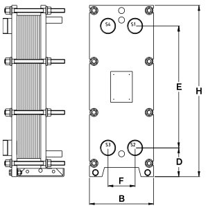
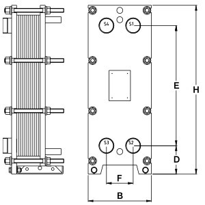
Размеры
- D - 220 мм;
- Высота H – 1265 мм;
- Диаметр присоединения Ду – 100;
- B – 450 мм;
- E – 779 мм;
- F – 226 мм.
ТЕХНИЧЕСКИЕ ХАРАКТЕРИСТИКИ ТЕПЛООБМЕННИКА TRANTER GC-026P
Характеристики
Температура Tмах, °С
+10 до +200°C
Бренд
Tranter
Отзывов ещё нет — ваш может стать первым.
Все отзывы 0
Список отзывов пуст







































