Описание
Характеристики
Отзывы
Пластинчатый теплообменник Tranter GC-008 PI
ОСОБЕННОСТИ КОНСТРУКЦИИ
Теплообменник Tranter GC-008 PI комплектуется пакетом специальных гофрированных теплообменных пластин с уплотнением по периметру. Материал изготовления – шведская нержавеющая сталь. Пластины закрепляются на несущей и направляющей консолях и зажимаются двумя плитами: подвижной и неподвижной.
Теплообменник отличается высоким коэффициентом теплопередачи, который определяется углом стреловидных гофр на пластинах.
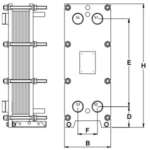
Размеры
- D - 72 мм
- высота Н - 774 мм
- диаметр присоединения Ду - 25/32 мм
- B - 180 мм
- E - 640 мм
- F - 6
Характеристики
Температура Tмах, °С
+10 до +200°C
Бренд
Tranter
Отзывов ещё нет — ваш может стать первым.
Все отзывы 0
Список отзывов пуст












