Описание
Характеристики
Отзывы
Теплообменник Tranter модели GC-051 N изготовлен из пакета теплообменных пластин, прочно закрепленных на двух консолях: несущей и направляющей.
Пластины для теплообменника Tranter создаются на основе нержавеющей стали стандарта AISI 304 или AISI 316 с титановым покрытием, что позволяет пластинам противостоять внешним воздействиям.
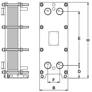
Размеры
- D – 300 мм;
- Высота H – 1730 мм;
- Диаметр присоединения Ду – 150;
- B – 5 мм;
- E – 1143 мм;
- F – 300 мм.
ТЕХНИЧЕСКИЕ ХАРАКТЕРИСТИКИ ТЕПЛООБМЕННИКА TRANTER GC-051 N
- максимальная рабочая температура 180 °С;
- максимальное рабочее
Характеристики
Бренд
Tranter
Отзывов ещё нет — ваш может стать первым.
Все отзывы 0
Список отзывов пуст







































