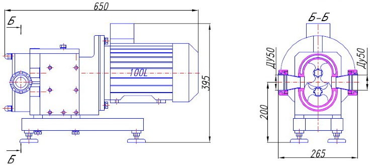
ШНК14-5/2 (ОРА-5/2)-МНР-ДУ50/ДУ50 Роторный насос
(ШНК-14-5/2(ОРА-5/2)-М-марка насоса, Н- уплотнение сальниковая набивка, Р- рубашка обогрева/охлаждения, ДУ50/ДУ50 –вход/выход продукта)
Q=5,0 м3/час, N=2,2 кВт, Р=0,5МПа (5атм), n=950/400 об/мин
Предназначен для перекачивания полувязких, текучих продуктов.
Насосы просты в обслуживании, легко промываются и разбираются.
Все узлы и детали, контактирующие с продуктом, изготавливаются из нержавеющей кислотно-стойкой стали.
Преимущества:
- Большая производительность при относительно небольших габаритах (сокращение занимаемой площади);
- Возможность вертикального исполнения, что улучшает условия всасывания для сложных продуктов;
- Возможность изготовления с рубашкой обогрева;
- Простота в обслуживании и эксплуатации, надежность и долговечность.
ТЕХНИЧЕСКИЕ ХАРАКТЕРИСТИКИ НАСОСА: Продукт – н/д
- Температура продукта – до +1000С
- Производительность– 5,0 м3/час±10%
- Давление нагнетания - до 0,5 МПа (5атм.)
- Количество оборотов роторов – 400 об/мин
Электродвигатель:
- (общепромышленное исполнение (50Гц, IP54, У2):
- Мощность -2,2 кВт
- Напряжение – 380 В
- Количество оборотов – 950 об/мин
- Вход/выход продукта - Ду50/Ду50 DIN 11 851
- Габаритные размеры – 650 х 265 х 395 мм
- Масса – 90 кг
- Уплотнение вала – сальниковая набивка
- Материал проточной части насоса - сталь 12Х18Н10Т и 14Х17Н2
- Материал станины –нержавеющая сталь AISI3
- Зависимость подачи насоса от количества оборотов.
Предназначен для перекачивания кисломолочных продуктов, творожно-сывороточных смесей, сливок с высоким содержанием жира, сгущенного молока, варенья, смесей мороженного, майонеза, соусов и т.п.
Насосы просты в обслуживании, легко промываются и разбираются. Все узлы и детали, контактирующие с продуктом, изготавливаются.


































