Описание
Характеристики
Отзывы
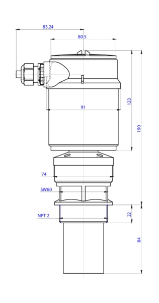
Тип 8177 представляет собой бесконтактное ультразвуковое устройство для непрерывного измерения уровня в открытых или закрытых емкостях. Подходит для применения на жидкости и сыпучие материалы практически во всех отраслях промышленности, в особенности в водоподготовке и водоотведении.
Характеристики
Отзывов ещё нет — ваш может стать первым.
Все отзывы 0
Список отзывов пуст












