Описание
Характеристики
Отзывы
Высоковольтный преобразователь частоты Vacon NX
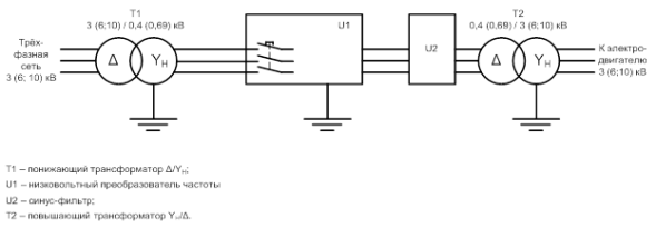
Система управления высоковольтными электродвигателями по двухтрансформаторной схеме
- ● Система состоит из низковольтного преобразователя частоты (0.4/0.69 кВ) и стандартных трансформаторов.
- ● Оптимальное конструктивное решение;
- ● двухступенчатое преобразование;
- ● встроенный синусоидальный фильтр;
- ● варианты исполнения с 6- ,12- и 18- пульсным выпрямителем;
- ● различные варианты размещения (УХЛ4-для установки в отапливаемых помещениях, У1 и УХЛ1-установка в автономном модульном здании).
- ● Диапазон мощности: 250...2000 кВт.
- Система управления высоковольтными электродвигателями по двухтрансформаторной схеме
Системы управления высоковольтными электродвигателями состоят из низковольтных преобразователей частоты (0.4/0,69 кВ) и стандартных трансформаторов.
Применение
- Канализационные насосные станции.
- Насосные станции I и II подъема.
- Сетевые насосы ТЭЦ, РТС и КТС.
- Технические характеристики
- Напряжение питания управляемых электродвигателей 2-12 кВ±10%.
- Частота питающей сети 45…66 Гц.
- Мощность управляемых электродвигателей 160…5000 кВт.
- Защита корпуса шкафа с преобразователем частоты IP21 / IP54.
- Коэффициент мощности системы ~1.
- КПД системы (включая согласующие трансформаторы) 96% (КПД ПЧ ~ 98.5%).
Преимущества двухтрансформаторной схемы
- Предельная гибкость в выборе напряжения питания электродвигателя.
- Гальваническая изоляция (благодаря наличию трансформаторов).
- Отсутствие воздействия на обмотку электродвигателя высокочастотных составляющих напряжения.
- Отсутствие подшипниковых токов (благодаря фильтру и гальванической изоляции).
- Низкий уровень шума (благодаря практически идеальной синусоидальности тока и напряжения).
- Варианты исполнения с 6, 12 и 18-пульсным выпрямителем.
Удобство обслуживания преобразователя частоты:
- свободное пространство сзади шкафа не требуется (возможность установки вплотную к стене);
- силовая часть преобразователя может быть выдвинута наружу на направляющих рейках;
- возможность установки дополнительных устройств защиты и управления (автоматические выключатели, контакторы, реле и т.д.).
Стандартный комплект поставки
- Преобразователь частоты.
- Синусоидальный фильтр.
- Трехфазный сетевой дроссель.
- ЭМС-фильтр.
- Повышающий и понижающий трансформаторы.
Варианты исполнения систем управления по составу оборудования:
- VEDA: сухие трансформаторы Trafotek (Финляндия) и преобразователь частоты Vacon NXC (шкафное исполнение, IP21/IP54, 690 В) c SIN-фильтром (Финляндия)
РУСА: ПЧ Vacon NXC (шкафное исполнение, IP21/IP54) и:
- 690 В - сухие специальные преобразовательные трансформаторы типа ТСЗП (IP23);
- 400 В - масляные трансформаторы типа ТМГ11 (УХЛ4, У(ХЛ)1).
ПЧ РУСЭЛКОМ RVP-C (шкафное исполнение, IP21/IP54) и:
- 690 В - сухие специальные преобразовательные трансформаторы типа ТСЗП (IP23);
- 400 В - масляные трансформаторы типа ТМГ11(УХЛ4, У(ХЛ)1).
ПЧ РУСЭЛКОМ RVP (напольное исполнение, IP21/IP54), SIN-фильтр (IP00 – для установки в отдельный шкаф самим заказчиком) и:
- 690 В - сухие специальные преобразовательные трансформаторы типа ТСЗП (IP23);
- 400 В - масляные трансформаторы типа ТМГ11 (УХЛ4, У(ХЛ)1).
Варианты размещения:
- исполнение УХЛ4 – для установки в отапливаемых помещениях;
- исполнение У1, УХЛ1 – размещение низковольтного (0.4/0,69 кВ) преобразователя частоты в модульном здании с системой предпускового подогрева и климат – контроля, размещение трансформаторов в соответствии с техническими условиями предприятия
Характеристики
Бренд
Отзывов ещё нет — ваш может стать первым.
Все отзывы 0
Список отзывов пуст

























