Описание
Характеристики
Отзывы
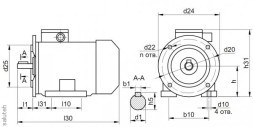
АСИНХРОННЫЕ ДВИГАТЕЛИ DRE | DRS | DRP | DRL
ПРЕИМУЩЕСТВА ДЛЯ ВАС:
- простейшее конфигурирование и оформление заказа
- конфигурирование всех вариантов двигателя из только одной серии
ДИАПАЗОН МОЩНОСТИ:
- стандартные двигатели: 0,09 - 200 кВт
- энергосберегающие двигатели: 0,75 - 160 / 200 кВт
- еще больше возможностей, еще меньше ограничений
- экономия пространства и снижение расходов за счет компактной конструкции
- перспективность и по экологическим аспектам (нормам)
- снижение цен на энергосберегающие двигатели за счет интеграции. Энергосберегающие двигатели для категорий эффективности: Standard Efficiency, High Efficiency, Premium Efficiency
- снижение цен за счет выбора тормозов различного типоразмера: до 3 типоразмеров тормоза на каждый типоразмер двигателя
- встроенный датчик полностью интегрирован в двигатель
МОДУЛЬНАЯ СИСТЕМА ДВИГАТЕЛЕЙ DR
Новая модульная система трехфазных ас
Характеристики
Бренд
Отзывов ещё нет — ваш может стать первым.
Все отзывы 0
Список отзывов пуст































