Описание
Характеристики
Отзывы
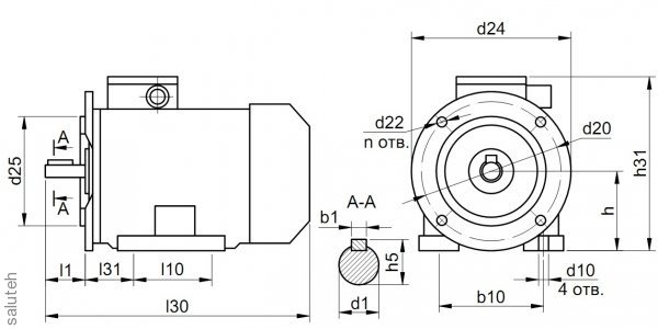
Серия АИР 56 относится к асинхронным трехфазным электродвигателям постоянного тока общепромышленного исполнения. В зависимости от мощности и частоты вращения вала производятся в 4 модификациях: АИР 56А2, АИР 56 А4, АИР 56В2 и АИР 56В4. Применяются в приводах машин, станков и механизмов в различных отраслях народного хозяйства.
Расшифровка маркировки:
- АИР – серия двигателя (А – асинхронный, И – разработка Интерэлектро, Р – привязка мощности к размерам установочно-присоединительным согласно РС3031-71);
- 56 – высота оси вращения в мм;
- А2 – вариант длины сердечника (буква А), частота вращения 3000 об/мин, полюсов магнитного поля 2;
- А4 - вариант длины сердечника (буква А), частота вращения 1500 об/мин, полюсов - 4;
- В2 – вариант длины сердечника (буква В), частота вращения 3000 об/мин, полюсов - 2;
- В4 – вариант длины сердечника (буква В), частота вращения 1500 об/мин, полюсов - 4.
Двигатели выпускаются на напряжение 220/380 В
Характеристики
Отзывов ещё нет — ваш может стать первым.
Все отзывы 0
Список отзывов пуст































