Двигатели АИР 180 представляет серию агрегатов с электрическим трёхфазным приводом, которые предназначены для работы в сети с переменным током частотой 50Гц.
Применение
Электродвигатели АИР 180 находят применение во всех сферах промышленности и сельского хозяйства благодаря своей стандартизации и унифицированности. Они предназначены для активации приводов механизмов, характеризующихся постоянным количеством оборотов и не требующих дифференциации частоты вращения.
Устройство
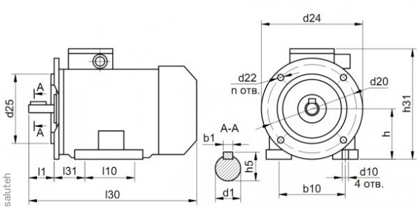
Внешне электродвигатель имеет два варианта исполнения: с чугунными станиной и щитами или со станиной из алюминиевого сплава и чугунными щитами.
Внутреннее устройство агрегата стандартно для асинхронного двигателя такого типа и представлено неподвижным статором в виде корпуса и вращающегося ротора. В специальные ниши статора уложены обмотки медного провода, которые пофазно соединяются в виде треугольника или звезды.
Особенности
Электродвигатели этой модификации характеризуются невысокой частотой вращения и большой мощностью, что позволяет применять их в качестве приводящих механизмов на различных станках и конвейерах. Номинальная мощность двигателя рассчитана на работу в режиме S1, гарантирующем продолжительную беспрерывную деятельность без перегревов. Применение такого типа агрегата в кратковременном или повторно-кратковременном режимах нецелесообразно, поскольку приводит к существенному перегреву обмотки и линий электропроводки в момент повторного пуска, что может служить причиной снижения ресурсной службы мотора.
Модификации
Стандартное исполнение электродвигателей предполагает использование сети с переменным током частотой 50Гц, но по заказу возможны варианты с 60-герцовой частотой. Внешние габариты модификаций имеют одинаковую ширину и высоту 440х375мм, но отличаются длиной: у моделей АИР 180S она составляет 630мм, а у АИР 180М – 680мм. В модельной линейке представлены варианты:
- АИР 180 S2 мощностью 22кВТ, 3000 об/мин и весом в 160кг;
- АИР 180 S4 мощностью 22кВТ, 1500 об/мин и весом в 170кг;
- АИР 180 М2 мощностью 30кВТ, 3000 об/мин и весом в 180кг;
- АИР 180 М4 мощностью 30кВТ, 1500 об/мин и весом в 190кг;
- АИР 180 М6 мощностью 18,5кВТ, 1000 об/мин и весом в 180кг;
- АИР 180 М8 мощностью 15кВТ, 750 об/мин и весом в 180кг.
Для стационарной установки двигателей этой серии производитель предусматривает несколько способов крепления: с помощью лап, с лапами и фланцевым соединением или только фланцем. Купить двигатель можно с любым доступным крепление.































