Модель асинхронного 3-фазного двигателя АИР 100 предназначена для широкой эксплуатации на различных образцах промышленного оборудования, которое имеет подключение к сети переменного тока частотой в 50Гц.
Внутреннее строение
Данная модель двигателя имеет классическое строение с неподвижным корпусным статором и вращающимся внутри ротором. В специальные пазы в корпусе двигателя уложена статорная обмотка, фазы которой могут соединяться в виде «треугольника» или «звезды».
Скорость вращения ротора является одним из самых важных показателей работоспособности агрегата и напрямую зависит от количества полюсов, число которых у разных модификаций колеблется от 1 до 3 пар. Вся внутренняя начинка помещена в корпус из чугуна.
Особенности электродвигателя
Модель АИР 100 предназначена для функционирования в режиме S1, предполагающем длительную работу без выключения. Этот фактор необходимо учитывать для оптимального и надёжного использования двигателя, поскольку частые включения создают скачкообразный момент возрастания тока в обмотке агрегата, который в несколько раз превышает средний рабочий ток, что приводит к значительной перегрузке сетей.
Электродвигатель обладает простой конструкцией, лёгким пуском и доступной отладкой автоматизации. К его преимуществам необходимо отнести устойчивость к кратковременным механическим перегрузкам, эффективное противостояние влиянию пыли и влаги по сертификату IP55.
Высокоточная подгонка комплектующих позволила повысить КПД на этой модели до 75%, а использование качественных подшипников позволило снизить шумность до 55дБ. Также, двигатель отличается стабильностью скорости при разных нагрузках.
Доступные модификации
Серия электродвигателей АИР 100 представлена 6 моделями: АИР 100L2, АИР 100L4, АИР 100L6 , АИР 100L8, АИР 100S2 и АИР S4, купить можно любое исполнение, которые широко применяются в качестве приводов для различного технологического оборудования, мощность которого не превышает 4 кВт. Питаются от электрической сети 380 В и от сети 220/380 В. Для подключения к имеется специальная клемная коробка, в которой в зависимости от исполнения может быть 3 или 6 клемм. Трехфазная обмотка статора может включаться на «звезду» или «треугольник», что дает возможность осуществлять питание от разного напряжения.
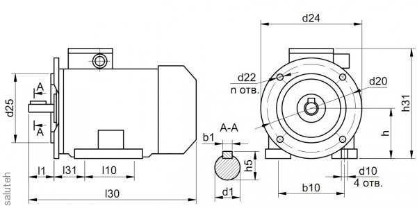
Все двигатели получили внешний кожух с габаритами 271х160х142мм, которые позволяют устанавливать их в любых доступных местах. Для установки производителем предусмотрены в каждой модели разные варианты с лапами, лапами и фланцем, а, также, одним фланцем.
Описание
Характеристики
Отзывы
Характеристики
Отзывов ещё нет — ваш может стать первым.
Все отзывы 0
Список отзывов пуст































