Серия АИР относится к асинхронным трехфазным электродвигателям постоянного тока общепромышленного исполнения. К таким устройствам не предъявляются особые требования к характеристикам по пуску, энергетическим показателям, повышенному скольжению и т.д. Эта серия объединяет электродвигатели мощностью от 0,06 до 400 кВт с высотой оси вращения, лежащей в пределах 50 ÷ 355 мм.
В зависимости от мощности и частоты вращения вала двигатели серия АИР 90 производятся в 5 модификациях: АИР 90L2, АИР 90L4, АИР 90L6, АИР 90LА8 и АИР 90LВ8. Изготавливаются:
• с 3 клеммами в коробке выводов на напряжение 380 В;
• с 6 клеммами - на напряжение 220/380 В.
Переключение с одного напряжения на другое осуществляется путем включения трехфазной обмотки на «звезду» или «треугольник».
Климатическое исполнение и категория размещения – У2, У3. Крепится могут в любом пространственном положении и в зависимости от монтажного исполнения крепление осуществляется с помощью лап, фланцев или комбинированным способом - способ крепления указывается при заказе.
Применяются в качестве комплектующего оборудования для вентиляторов, насосов, станков, у которых мощность не превышает 3 кВт.
Применение
Применяются в различных устройствах, народном хозяйстве и быту, для преобразования электрической энергии в энергию механическую. Грузоподъемные краны, лифты, конвейеры, лебедки, насосы, станки различного назначения – это далеко неполный перечень оборудования, где применяется серия АИР, без которой невозможна работа любого приводного механизма.
Условия, при которых работают двигатели, следующие:
- высота над уровнем моря - не более 1км;
- температура воздуха - от минус 40 до + 40 0С;
- влажность при температуре 25 0С – не более 98%;
- запыленность воздуха – не более 10 мг/м3;
- рабочая среда – без токопроводящей пыли, агрессивных газов, паров, концентрация которых разрушает изоляцию и металл, и не должны быть взрывоопасной.
Степень защиты двигателя от климатических и механических воздействий должна быть:
- IP23 – защищенный;
- IP44 – закрытый обдуваемый;
- IP54, IP55 – пылевлагозащищенный.
Режим работы должен быть:
- кратковременным;
- повторно-кратковременным;
- продолжительным.
Напряжение питания - 220/380; 380; 380/660 В, при чем частота может быть как 50 так и 60 Гц.
Двигатели, в зависимости от исполнения, могут работать в следующих климатических зонах:
- с умеренным и умеренно-холодным климатом (У, УХЛ);
- с холодным климатом (ХЛ);
- с тропическим климатом (Т).
При этом категория размещения двигателей может быть от 1 до 4 согласно требованиям ГОСТ15543.1-89.
Маркировка и ее расшифровка
- А – асинхронный;
- И – разработка Интерэлектро;
- Р – привязка мощности двигателя к его присоединительным (установочным) размерам, согласно требований РС3031-71;
- 90 – высота оси вращения, измеряемая в мм;
- L2 - длина станины (L), количество полюсов (2), n = 3000 об/мин.;
- L4 - длина станины (L), количество полюсов (4), n = 1500 об/мин.;
- L6 - длина станины (L), количество полюсов (6), n = 1000 об/мин.;
- L8 - длина станины (L), количество полюсов (8), n = 750 об/мин.;
- LА8 - длина станины (L ), длина сердечника (А), количество полюсов (8), n = 750 об/мин.;
- LВ8 - длина станины (L ), длина сердечника (В), количество полюсов (8).
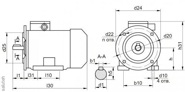
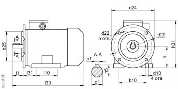
Монтажное исполнение
Способ крепления двигателя к устройствам может быть:
- на лапах - IМ1081(1001, 1011);
- на лапах и с фланцем (комбинированныые) - IМ2081(2001, 2011);
- без лап и с фланцем – IМ3081(3001, 3011);
- фланцевые, без доступа с обратной стороны – IM3681.
Это позволяет крепить электродвигатель в любом пространственном положении – горизонтально, вертикально, к потолку.
Возможно изготовление двигателей АИР с повышенным скольжением, двумя валами и другими специфическими требованиями под заказ.
Выбор электродвигателя
Для правильного выбора модели изделия необходимо указать следующие данные:
- маркировку;
- напряжение питания;
- монтажное исполнение;
- степень защиты;
- климатическое исполнение;
- категорию размещения.
Соответственно нужно учитывать цену и производителя. Если вы собираетесь купить электродвигатель, но не знаете точные параметры, то наши специалисты с радостью вам помогу.































