Широкое применение асинхронных электродвигателей АИР 80 объясняется проверенной годами надёжностью, простотой конструкции и разнообразием модификаций с различными силовыми характеристиками. Эти модели можно встретить во всех отраслях промышленности, сельского хозяйства, коммунальной сфере и т.д.
Структура электродвигателя АИР 80
АИР 80 представляет собой промышленный электродвигатель переменного тока с подключением к трёхфазной сети. Существует модификация АИРЕ 80 С2, которая снабжена конденсатором и имеет возможность работы от сети 220В.
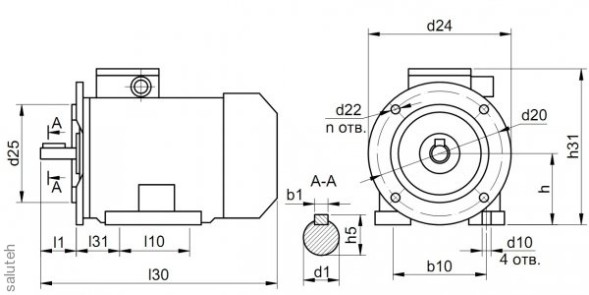
Асинхронные электродвигатели этого типа могут выпускаться в лёгкой дюралевой оболочке или более тяжёлых фланцевых и комбинированных вариантах.
Внутреннее устройство агрегата представлено ротором, который принимает непосредственное участие во вращении, и статором, в виде неподвижного корпуса двигателя, имеющего специальные ниши, куда уложена витками статорная обмотка. Соединение фаз статорной обмотки внутри двигателя может реализовываться в виде «треугольника» или «звезды». На эти обмотки подаётся электрический ток, который создаёт вращающее магнитное поле.
Особенности эксплуатации
Агрегаты АИР 80 предназначены для эксплуатации в режиме S1, который предусматривает длительную беспрерывную работу. Главной особенностью этого типа мотора в таких условиях является его высокая устойчивость к перегревам. Он не приспособлен для работы в режиме маломощных двигателей, которые рассчитаны на кратковременную или повторно-кратковременную остановку. Поэтому, необходимо учитывать, что частое включение-выключение способствует быстрому износу комплектующих и может служить причиной выхода из строя двигателя.
Доступные модификации
Разделение линейки на разные модели с различными силовыми показателями стало возможным благодаря изменению числа полюсов, которые напрямую влияют на скорость вращения ротора. Для всего модельного ряда АИР 80 характерны внешние габариты 300х180х160мм. А весовые и мощностные показатели различаются в зависимости от модели, которую нужно выбрать при покупке электродвигателя:
- АИР 80А2 с мощностью в 1,5кВТ, 3000 об/мин и весом 13кг;
- АИР 80А4 с мощностью в 1,1кВТ, 1500 об/мин и весом 14кг;
- АИР 80А6 с мощностью в 0,75кВТ, 1000 об/мин и весом 14кг;
- АИР 80А8 с мощностью в 0,37кВТ, 750 об/мин и весом 13,5кг;
- АИР 80В2 с мощностью в 2,2кВТ, 3000 об/мин и весом 15кг;
- АИР 80В4 с мощностью в 1,5кВТ, 1500 об/мин и весом 16кг;
- АИР 80В6 с мощностью в 1,1кВТ, 1000 об/мин и весом 16кг;
- АИР 80В8 с мощностью в 0,55кВТ, 7500 об/мин и весом 15,7кг.
Для удобства установки производителем предусмотрено несколько вариантов крепления: на лапах, на лапах с фланцевым механизмом и просто с фланцевым механизмом.































