Широкое применение асинхронных электродвигателей АИР 132 объясняется проверенной годами надёжностью, простотой конструкции и разнообразием модификаций с различными силовыми характеристиками. Эти модели можно встретить во всех отраслях промышленности, сельского хозяйства, коммунальной сфере и т.д.
Структура электродвигателя АИР 132
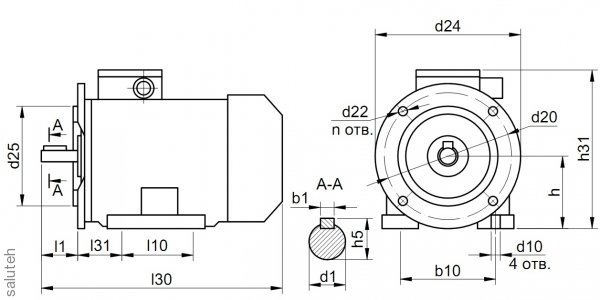
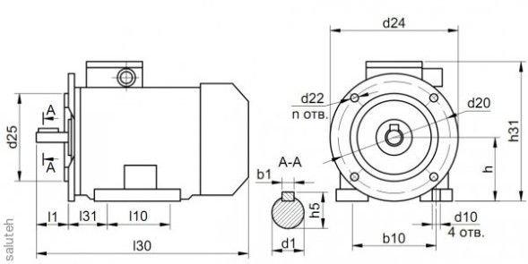
АИР 132 представляет собой промышленный электродвигатель переменного тока с подключением к трёхфазной сети. Асинхронные электродвигатели этого типа могут выпускаться в лёгкой дюралевой оболочке или более тяжёлых фланцевых и комбинированных вариантах.
Внутреннее устройство агрегата представлено ротором, который принимает непосредственное участие во вращении, и статором, в виде неподвижного корпуса двигателя, имеющего специальные ниши, куда уложена витками статорная обмотка. Соединение фаз статорной обмотки внутри двигателя может реализовываться в виде «треугольника» или «звезды». На эти обмотки подаётся электрический ток, который создаёт вращающее м
Описание
Характеристики
Отзывы
Характеристики
Отзывов ещё нет — ваш может стать первым.
Все отзывы 0
Список отзывов пуст































