Серия АИР 112 относится к асинхронным трехфазным электродвигателям постоянного тока общепромышленного исполнения. В зависимости от мощности и частоты вращения вала производятся в 4 модификациях: АИР 56А2, АИР 56 А4, АИР 56В2 и АИР 56В4. Применяются в приводах машин, станков и механизмов в различных отраслях народного хозяйства.
Доступные модификации
АИР 112М2, АИР 112 М4, АИР 112МА6, АИР 112МА8, АИР 112 МВ6 и АИР 112 МВ8 – это модели серии электродвигателей АИР 112, которые нашли применение при комплектовании компрессорного оборудования, насосов, промышленных вентиляторов и другого оборудования, мощность котрого не превышает 7,5 кВт и ток 15 А в зависимости от применяемой модели.
Расшифровка маркировки
- АИР – серия двигателя (А – асинхронный, И – разработка Интерэлектро, Р – привязка мощности к размерам установочно-присоединительным согласно РС3031-71) ;
- 112 – высота оси вращения в мм;
Двигатели выпускаются на напряжение 220/380 В и работают от сети переменного тока частотой 50 Гц. Изготавливаются со степенью защиты IP55, что говорит о надежной защите от попадания воды и пыли. Режим работы – продолжительный. Устанавливаются в помещениях без искусственного регулирования влажности и температуры.
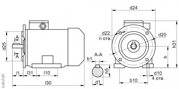
Устройство
Электродвигатель АИР 112 состоит из:
- корпуса;
- неподвижного статора;
- подвижного короткозамкнутого ротора, насаженного на вал;
- подшипниковых щитов (заднего и переднего);
- вентилятора;
- устройства вводного.
Корпус изготавливается из серого чугуна. Трехфазная обмотка изготавливается из меди, которая надежно пролакирована. Статорная обмотка уложена в специальные пазы пофазно. Фазы могут соединяться «треугольником» или «звездой» в зависимости от напряжения. Короткозамкнутая обмотка ротора изготавливается из сплавов алюминия или чистого алюминия. Двигатель имеют один вал цилиндрической формы, с помощью которого присоединяется к необходимому устройству. Допускается нагрев обмотки не выше 150 0С.
Принцип работы двигателя – электромагнитное взаимодействие между статором и ротором.
По способу крепления выпускаются:
- на лапах с подшипниковыми щитами - IМ1081(1001);
- на лапах с подшипниковыми щитами и фланцем со стороны рабочего вала - IМ2081(2001);
- без лап с подшипниковыми щитами и фланцем со стороны рабочего вала - IМЗ081(3001).
Чтобы двигатель АИР 112 работал бесперебойно и был долговечным необходим автомат защиты электродвигателя, который можно купить вместе с двигателем, его марку посоветуют ниши специалисты.































