PVPC -это регулируемые аксиально-поршневые насосы, предназначенные для применения в системах с высоким рабочим давлением. Имеют низкий уровень шума и могут работать в системах с гидравлическими минеральными маслами или синтетическими жидкостями, имеющими аналогичные смазочные характеристики.
Текущий рабочий объем зависит от хода нагнетающих плунжеров 1. Длина хода плунжеров определяется позицией наклонного диска 2, которая устанавливается с помошью двух серво-плунжеров 3, имеющих различную площадь сечения и находящихся в противодействии к пружине 4. Вращающийся барабан 5 заставляет двигаться нагнетающие плунжеры по замкнутому контуру, совершая возвратно-поступательные движения в гнездах барабана, в результате чего и происходит перемещение жидкости. Изображенный разрез показывает исполнение СН с механическим компенсатором давления 6 и разгрузочным электромагнитным распределителем 7. Монтажные фланцы и валы насосов изготавливаются в соответствии со стандартом SAE J744 см.
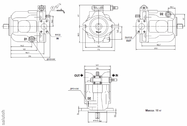
Максимальный рабочий объем: 29-46-73-88 см /об.
Максимальное давление: 280/350
Частота вращения 600-2600
Размер портов, SAE/PSI 3000 1 1/2”
Размер портов, SAE/PSI 6000 1”
Макс. расход при 1400 об л/мин 66.7




















