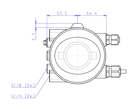
Управляющая головка типа 8681 оптимизирована для децентрализованной автоматизации прямоточных гигиенических клапанов. Ввиду его универсальной адаптации он может комбинироваться со любыми стандартными заслонками, шаровыми затворами, одно- и двухседельными клапанами. При реализации децентрализированных концепций по автоматизации управляющая головка берет на себя все функции по управлению, обратной связи и диагностике, вплоть до связи по шине. Отличительными чертами корпуса являются легкость ухода, зарекомендовавшая себя на практике защита оболочки, и материалы, устойчивые к воздействию химии для применения в гигиенических технологических установках в продовольственной и фармацевтической отраслях. В зависимости от прямоточного клапана можно осуществлять независимое друг от друга управление пневматическими камерами исполнительного механизма в количестве до 3 единиц. Скорость переключения для обоих направлений перемещения могут быть настроены по-отдельности. Встроенный обратный клапан предотвращает ошибочные переключения прямоточных клапанов, обусловленные обратным давлением. Положения переключения прямоточных клапанов определяются индуктивным датчиком перемещения с аналоговым принципом работы и обратный сигнал направляется в систему управления более высокого уровня. Можно настроить до трех точек переключения при помощи функции Teach-In и нажатия кнопок или определить их автоматически посредством предопределенных функций автонастройки Autotune. Дополнительное 4-е положение переключения может быть считано и передано обратно через внешний индуктивный бесконтактный датчик. Индикация состояния с цветной подсветкой сигнализирует о соответствующем положении переключения прямоточного клапана или диагностических функциях, таких как необходимость в техобслуживании или состояние неисправности. Пилотные клапаны оснащены механизмом ручного управления. При закрытом устройстве запатентованный механизм ручного управления с магнитным кодированием позволяет производить переключение главного привода извне.
Описание
Характеристики
Отзывы
Отзывов ещё нет — ваш может стать первым.
Все отзывы 0
Список отзывов пуст












