Описание
Характеристики
Отзывы
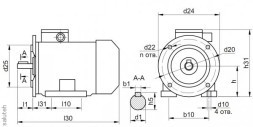
Малогабаритные вибраторы Italvibras серии M3 представляют собой особое исполнение вибраторов полученных от внутренних компонентов MVSI, в которой каркас имеет клеммной коробки с той же стороны, фиксация базы.
- M3 была разработана, чтобы уменьшить общий размер.
- Питание: трехфазное напряжение от 24В до 690В, 50Гц или 60Гц или однофазный 100-130В 200-240В, 60 Гц и 50 Гц.
- Полярность: 2 полюса.
- Обслуживание: постоянное обслуживание (S1) при максимальной центробежной силе и электропитании.
- Центробежная сила: до 88 кгс (863 Н).
- Класс изоляции: класса F (155 ° C).
- Электродвигатель: асинхронный трехфазный. Ротор алюминиевый литой под давлением (короткозамкнутый).
Каталог: 2 полюса - 3000/3600 rpm
Характеристики
Центробежная сила, кН
Мощность, кВт:
Частота вращения, об/мин
Питание, В
Вес, кг
6,300
Бренд
Отзывов ещё нет — ваш может стать первым.
Все отзывы 0
Список отзывов пуст
























